ремонт холодильников в Тольятти
с 8.00 до 20.00

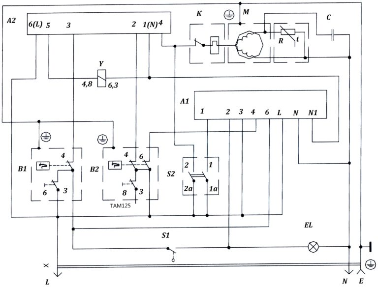
Маркировка | Режим работы | |||
тепло | холод | |||
Температура срабатывания контактов 3 — 4 , °С | ||||
замыкания | размыкания | замыкания | размыкания | |
ТАМ125-1 | -20,0 | -20,0 | -27,0 | |
ТАМ125-2 | -15,0 | -21,0 | -22,0 | -29,0 |



Основная задача – устранить проблемы в работе вашего холодильника качественно, в кратчайший срок и по приемлемой цене.